Elevation views are used to view the project either from its exterior or interior face. Using the elevation tag that snaps to the direction of the wall, you can set your elevation view.

Video Tutorials

Learn about how to create elevation views with this Video Tutorial – by Autodesk

Step by Step Guide:

Sometimes, you want to refer to an existing elevation view or drafting view to help the reader understand the view being displayed. In such cases, you can create a Reference elevation that does not create a new view but refers to the existing view.

While working on a structural design, you may want to create Framing elevation views that align to a work plan or to a particular grid.

Q&A

Have any Questions? or Suggestions? or Feedback? Please feel free to Contact Us, we will get back to you as soon as we can.

Elevation Views

There are four types of plan views in Revit: Floor plans, Reflected Ceiling Plans, Structural floor plan and Area plan.

Step by Step Guide:

Structural floor plans offer the possibility to change the direction of view either to looking down or looking up. For example, if your view needs to look at the foundations, you can set the view direction to down while for structural beams, you can set the direction to up.

Q&A

Have any Questions? or Suggestions? or Feedback? Please feel free to Contact Us, we will get back to you as soon as we can.

Plan Views

Tutorial: Import/Link a CAD drawing

About Using CAD drawings in Revit

Some architects like to begin their design in CAD software tools. CAD drawings are then imported/linked in Revit to be used as references/underlay. REVIT model geometry is then built by tracing over elements in CAD file. Another popular reason to import CAD files into Revit is to use them for detailing purposes. If you already have some details drafted in CAD, you may import them in Drafting view and use them in Revit.

You can either import a CAD file or you can link it. If you expect the CAD file to change, it is best to link it. If the CAD file is revised, then you can simply reload the linked files in Revit and see those changes. However, if you do not expect the CAD file to change, it is best to Import it. Importing a CAD file will increase the size of the Revit project file, but in turn will use less memory.

Tutorial Objective:

In this tutorial, you will learn,

Sample Problem:

  • Link a CAD file containing the Ground floor layout of the sample project into Revit and place it on the “00 Ground Level” Floor Plan as shown below.
M2 Import Tutrial.jpg

Files required for this tutorial:

If you do not have the following files, please download them from here.

  1. “TutorialImportCAD_Input_LearningRevitOnline.rvt”
  2. “Ground Floor Layout_For Import.dwg”

Solution:

  1. Make sure that you have the CAD file “Ground Floor Layout_For Import.dwg”  and have prepared it as per the tips in step 2.
  2. Prepare CAD file before importing:

    Open your CAD program and make sure you have done the following:

    • Have only those geometries/layers in the CAD file which are necessary for you to use in Revit (this will reduce the file size and the memory required in Revit). You may also choose to Freeze the layers which are not required.
    • Many CAD users like to put layouts, elevations, sections, etc all in one CAD file. Do not crowd multiple drawings in one CAD file while importing in Revit. For example, if you are importing a layout drawing of a particular floor, try to have only that layout in the CAD file. If necessary, copy the geometry you would like to import and paste it into a new CAD file, to avoid any unnecessary references.
    • Purge your file before importing.
    • Check if drawing units and file units are consistent.
    • If you need Xrefs, then bind them in your drawing. If you do not need them, unload/remove them.
    • Copy the original file before modifying for import. Just in case, if you need to get back to the original version.
    • Open the tutorial file ‘TutorialImportCAD_Input_LearningRevitOnline.rvt’ in Revit. This project file already contains model geometry for basement floor, grids, levels and section views.
    • Navigate to the floor plan of  “00 Ground Level”.
    • Go to Insert tab -> Link -> Link CAD (If you would like to import a CAD file not link it, you may chose to go to Insert tab->Import-> Import CAD)
    • A Link CAD Formats dialog box will appear. Use following Settings:M2 Import 1
      • Check the “Current View Only” checkbox if you want this CAD file to be visible only in the view it is being imported (Ground Level Floor Plan). If you do not check this box, the CAD file will appear in all views, including 3D views.
      • Colors: Preserve (if you want to preserve the colors of the layers in CAD file).
      • Layers: All (If you choose to import only visible layers in CAD or choose Specify option if you would like to import only selected layers. The selection option will appear during the import process).
      • Import Units: “Ground Floor Layout_For Import.dwg” used for this tutorial has been created in Imperial Units (Inches) while the model in Revit is being created in Metric Units. To import this file correctly, choose “Inch” in the Import units.
      • Positioning: Auto-Center to Center (this will place the center of the CAD file to the center of the Revit view). Choose other options if you would like to place the CAD file Origin-Origin / By Shared Coordinates.
      • Place at: 00 Ground Level is seelcted by default as we are trying to import the CAD file in the active view.
    • After selecting all the Settings as above, click Open. This will import the CAD file in the view.
  3. However, note that CAD file imported is not at the correct position.M2 Import 2
  4. To move the CAD file to the right position, use Move tool.
  5. To Move,

    • Select the object (in this case, the imported CAD file).
    • Go to Modify panel -> Modify -> select Move tool.
      • Alternatively, use “MV” as a keyboard shortcut.
    • Click to enter move start point. In this case, it would be the top left corner intersection of the center line in the CAD file. This will be the base point for moving the CAD file.
    • Click to enter move end point. In this case it would be the intersection of Grid 1-A. M2 Import 3
    • Click Esc to end the Move tool.
  6. Once the position of the CAD file is correct, it is best to PIN it. It will prevent you to move/ delete the file by mistake.
  7. To Pin the CAD file:

    • Select the CAD file.
    • Go to Modify panel -> Modify -> select Pin tool.
      • Alternatively, use “PN” as a keyboard shortcut.
    • The CAD file is now pinned.
    • Click Esc to end the Pin tool.M2 Import 4
      • NOTE: If you would like to Unpin the CAD file,
        • Select the CAD file.
        • Go to Modify panel -> Modify -> select UnPin tool.
          • Alternatively, use “UP” as a keyboard shortcut.
        • The CAD file will be unpinned.
  8. To give the visibility of an Underlay for the CAD file (in order to avoid confusion between Revit model geometry and visible geometry of CAD file), the imported geometry can be set to halftone or some of the layers can be turned on/off.
  9. To control the visibility of the CAD file:

    • Go to View tab -> Graphics panel -> Visibility Graphics -> Visibility Graphics Override dialog box will appear.
      • Alternatively, use “VG” as a keyboard shortcut.
    • Go to Imported Categories tab.
    • Check the checkbox for halftone.
      • TIP: To turn on/off particular layers, use checkbox besides the layer names.M2 Import 5
    • Click Ok.
    • Note that the CAD file in the drawing area is now grey/halftone. M2 Import 6
  10. As we have linked the CAD file, it will be possible to see the changes if the CAD file is updated by reloading it.
    • Go to Insert tab -> Link panel -> Manage Links -> Manage Links dialog box will appear.
    • Go to CAD formats tab.
    • The linked CAD file will be listed here. Select the row of the linked CAD file.
    • Click Reload to reload the file from the same path.
    • Use Reload From… option if the path of the file is changed.
      • If you would like to unload the file from your project, choose Unload. You can at a later stage, use Reload to reload it in your project.
      • If you would like to completely remove the file from your project, choose Remove. You cannot Reload the linked CAD file, if you have removed it. You will need to link the file again. M2 Import 7
  11. After completing all the steps above, Save your project file.

More References:

Importing from other sources:

Q&A

Have any Questions? or Suggestions? or Feedback? Please feel free to Contact Us, we will get back to you as soon as we can.

Tutorial: Section Views

About Section Views

Section views cut through the model at a cutting plane specified and show a 2D  orthographic projection in the view. Creating section views in a CAD program requires a lot of manual effort. Whereas, in Revit, creating a section view is automated saving significant time and energy. It is as simple as drawing a line to specify the section plane and that’s it! Because the modeled elements in Revit are 3D, the software is able to create their 2D projection along the specified plane automatically. If any building elements are revised, added or removed in the building model, the changes are also reflected in the section views automatically – saving a lot of time, money and energy in coordination of all drawings.

Tutorial Objective:

In this tutorial, you will learn,

Sample Problem:

  • Create a vertical section with a split segment
  • Create a horizontal section with a break line
  • Hide Grid lines from the section view
  • Hide surface pattern of the wall in the section view
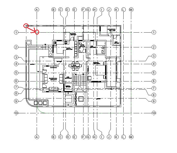
M2 Tutorial 1
Fig 1. Basement Floor layout with two section lines
M2 Tutorial 2
Fig 2. Section 1 with Grid Lines and Wall surface pattern turned off

File required for this tutorial: 

“TutorialSectionView_Input_LearningRevitOnline.rvt” (If you do not have this file, please download it from here.)

Solution:

  1. Open tutorial file “TutorialSectionView_Input_LearningRevitOnline.rvt” in Revit. This project file already contains levels, grids and walls in the basement floor level.
  2. Navigate to the floor plan of  “-01 Basement Floor Level”.
  3. Now, let’s create a vertical section line as shown in Fig 1.
  4. Add a section View:

    • Click View tab -> Create panel -> Section
    • From the Type selector, select ‘Building Section’ type.
    • In the drawing area, place the cursor at the starting point of the section, and drag through the model. Click when you reach the end point of the section.
    • The section line has been created. M2 Section 1
    • Click Esc to end the section tool.
      • TIP: Click on the section line -> Click on the Flip arrow beside the section head to flip the direction of the section view.
    • Double Click on the section head (the blue bubble like symbol), to go to the section view.
      • Alternatively, click on the section line -> right click -> Go to View
      • Alternatively, navigate to the project browser -> Under Sections -> Double click on the name of the section view to open it.M2 Section 2
  5. When you open the section view, you will notice that building elements are shown as cut from the section line that you drew in the layout.
  6. To rename the section view:

    • Go to the project Browser -> Right click on the section view you would like rename -> On the right click menu, go to Rename -> Change the name of the view and press Enter.
      • Alternatively, click on the section line in the drawing area -> Go to properties -> Under Identity Data -> View Name parameter -> Change the name of the view and press Enter.M2 Section 6
  7. Using the Crop and Far Clip Offset, you can adjust which elements are included in your section view and which are excluded from it. Use the following procedure to adjust the width (crop) and the depth(far clipping) of a section view.
  8. Adjust Crop Boundary and Far Clip Offset of a section view:

    • Navigate to the floor plan of “-01 Basement Floor Level”.
    • Click on the section line that you added in step 3.
    • Notice a blue dotted line in front and on sides of the section line.M2 Section 4
    • The dotted line in front and parallel to the section line is the far clip offset plane which control the depth of the view. Only those elements are displayed in the view which are within the boundary line of far clip offset plane. Use the blue arrows to adjust the boundary.
    • The dotted lines on sides control the crop region (width) of the section view. Only those elements are displayed in the view which are within the boundary line of crop region. Use the blue arrows to adjust the boundary.
    • You can also adjust these parameters from the properties of the section line. Click on the section line -> Go to Properties -> Under Extents -> Notice the Crop and Far Clip Offset settings.M2 Section 5
    • To control the display of elements when they are cut at the far clip plane, adjust the Far Clipping options. Learn more about this Setting here.
    • Adjust the Far clip plane and Crop boundary of the section view and then go to the section view to see how the impact of those adjustments.
  9. To control which elements to display and which to turn off in a view, use Visibility Graphics Settings.
  10. Turn on/off elements in a section view:

    • Visibility Graphics allow you to hide/show element categories in a specific view. For example, let’s say that we want to turn off all the Grid lines from the section view.
    • Open a Section view from the project browser.
    • Go to View Tab -> Graphics panel -> Visibility / Graphics
      • Alternatively, use keyboard shortcut “VG”.
    • A list of all Revit categories are displayed.
    • As Grids are annotation elements. Go to Annotation Categories tab. Scroll down from the list of categories to find Grids. There is a checkbox besides the Grids category. Turn it off. M2 Section 7
    • Say OK.
    • Note that all Grid lines in the view are hidden now.
    • To turn them back on, go back to Visibility /Graphics and turn the checkbox on besides the Grid category.
  11. Visibility/Graphics settings can also be used to control how elements are displayed when in a projection and cut in a section.
  12. Adjust Project/Cut display of elements in a view:

    • Let’s say that we want to turn off surface patterns of walls that are displayed in the section view as shown in the image below.M2 Section 3
    • Go to View Tab -> Graphics panel -> Visibility / Graphics
      • Alternatively, use keyboard shortcut “VG”.
    • A list of all Revit categories are displayed. As Walls are model elements, go to Model Categories list and scroll down to Walls category.
    • Under Project/Surface -> Patterns -> Click on Override -> Turn off the Foreground pattern by switching off the Visible checkbox.M2 Section 8
    • Click OK to Fill pattern Graphics dialog box.
    • Click OK to Visibility / Graphics Override dialog box.
    • Note the change in the section view. The brick pattern of the walls shown in projection are turned off.M2 Section 9.JPG
  13. Go back to the floor plan of  “-01 Basement Floor Level”. Repeat step 4 to add a horizontal section as shown in Fig 1. By default, the name of the section view will be “Section 2”, continuing the number sequence from the previous section. Follow Step 6, if you would like to rename the section view. Repeat Step 8, to adjust the far clip offset and crop boundaries as shown in the image below.M2 Section 10
  14. Sometimes for presentation purposes, you may not want the section line to appear across the entire drawing. In this case, the section line is required to be displayed as broken lines instead of one continuous line.
  15. To break a section line:

    • Click the section line of Section 2 (section line you created in step 13).
    • Notice the break control symbol on the line.
    • Click on the break control symbol to break the section line.
    • The section break is in the middle of the section line. The following images show the same section, whole and broken.
    • To rejoin the section line, click the break control again.
    • A break in a section line is view-specific. It affects the display of the section only in the view where the break was made.
  16. If you would like to split the cutting plane of the section view in order to show two different areas of the model, you can use ‘split segment’ tool.
  17. To split section line segment:

    • Click on the section line of Section 1 (vertical section line created in step 4).
    • Go to Modify|Views tab -> Section -> Split Segment
    • Click on the section line from where you would like to begin the split.
    • Move your cursor in the direction where you would like to position the split segment. Click where you want to place it.
    • A section line has been split.
    • Click Esc twice to end the Split Segment tool.
    • Click on the section line again.
    • Using the arrows on the section line, you can adjust the split segments, if necessary.M2 Section 12
    • Go to the view and observe how the view is revised after the split segment.
  18. After completing all of the above steps, Save As your project as “TutorialSectionView_Output_LearningRevitOnline.rvt”

TIPS

  • TIP: Custom Section Tag

The type properties of the section line specifies which section tag to use. The Section tag contains a section head and a section tail. Both, the head and the tail, are symbols that can be selected from the properties of the section tag.

To customize the section tag symbol, a section head family needs to be created and then added to a section tag.

Step 1: How to create a section head family? / Video Tutorial: Create a custom section head family presented by RevitWhisperer

Step 2: How to add the section head family into a section tag?section tag


More References

Q&A

Have any Questions? or Suggestions? or Feedback? Please feel free to Contact Us, we will get back to you as soon as we can.